
Manual inspection can be slow and notoriously inaccurate, with many features not reliably detectable even by the most detail-oriented staff.
ProSensus specializes in machine vision systems outfitted with the ideal combination of hardware and software to accurately measure and log product quality.
A machine vision trial, using ProSensus’ trial equipment, is a logical first step in determining hardware requirements and project feasibility.
Features Quantified
The camera(s) for any application is selected based on the features that need to be quantified.
Colour image features: visual defects, number of products per image, number of defects per product/image, size of defects, product grade rating
Thermal features: minimum, maximum, average, standard deviation (per product or per image), temperature distribution, identify blisters/cold/hot spots
3D features: product surface area, product height/depth (for tolerance assessment), void detection
Polarized features: glare reduction, enhance contrast, detect material stress and surface roughness
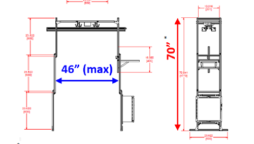
Flexible Trial Equipment
Our trials are a fast and cost-effective way to validate an investment in machine vision. ProSensus has a flexible, portable trial system that can be shipped to our customer’s site to rapidly demonstrate the value of a machine vision solution. The dimensions of our trial system are shown below.

Effective Trial Steps
- You tell us what quality measurements are important to you.
- We determine if colour, thermal, 3D imaging, or a combination is best for your application.
- We bring our machine vision demo system to your plant and take high quality images at-line, in real-time, demonstrating the capabilities of the technology.
- Finally, we provide a report summarizing what features can be extracted from the images and next steps.
If you have been contemplating an investment in automation and machine vision, contact us to get started.








